
详细产品说明
| 优点: | 高速 | 贴标速度: | 60-200个/分钟 |
|---|---|---|---|
| 功能: | 胶贴标签 | 材料: | 不锈钢 |
| 瓶子类型: | 自动圆瓶贴标机 | 应用: | 适用于各种圆形容器 |
| Plc品牌: | 三菱(日本) | 伺服贴标电机: | 台达(台湾) |
红酒贴标机玻璃酒瓶贴标机,PLC控制系统三菱品牌贴标机
特征:
1.操作:PLC控制系统使贴标机易于操作
2.材质:贴标机主体为SUS304不锈钢
3.配置:我们的贴标机采用知名的日本,德国,美国,韩国或台湾品牌零件
4.灵活性:客户可以选择添加打印机和打码机;可以选择是否与Converyer连接。
技术参数:
| 名称 | 自动圆酒瓶高速套收缩圆瓶贴标机 |
| 贴标速度 | 60-350个/分钟 |
| 物体高度 | 30-350毫米 |
| 物体厚度 | 20-120毫米 |
| 标签高度 | 5-180毫米 |
| 标签长度 | 25-300毫米 |
| 标签辊内径 | 76毫米 |
| 标签辊外径 | 420毫米 |
| 贴标精度 | ±1毫米 |
| 电源供应 | 220V 50/60赫兹3.5KW |
| 打印机耗气量 | 5Kg / m2(如果加上编码机) |
| 贴标机尺寸 | 2800(长)×1650(宽)×1500(高)mm |
| 贴标机重量 | 180公斤 |
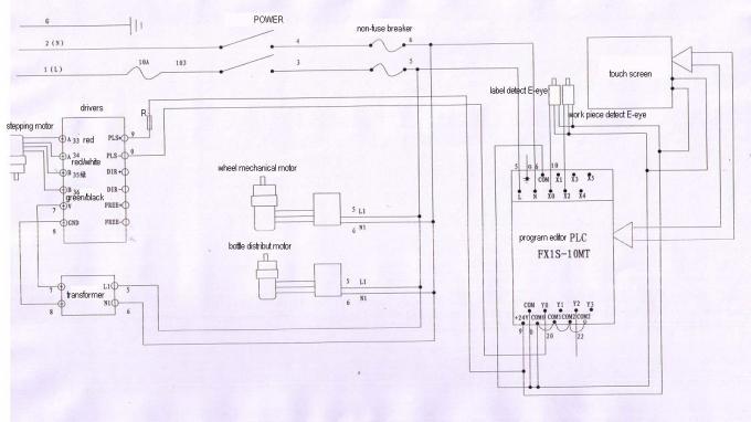
组态
| 没有。 | 部分 | 牌 | 数量 |
| 1 | 可编程逻辑控制器 | 三菱(日本) | 1 |
| 2 | 主转换器 | 丹佛斯(丹麦) | 1 |
| 4 | 人机界面 | WEINVIEW(台湾) | 1 |
| 5 | 伺服贴标电机 | 台达(台湾) | 1 |
| 6 | 伺服贴标电机驱动器 | 台达(台湾) | 1 |
| 7 | 输送电机 | HY(台湾) | 1 |
| 8 | 输送电机变速箱 | HY(台湾) | 1 |
| 9 | 分瓶电机 | GPG(台湾) | 1 |
| 10 | 分瓶电机变速箱 | GPG(台湾) | 1 |
| 11 | 瓶分离电机调速器 | GPG(台湾) | 1 |
| 12 | 辐条马达 | GPG(台湾) | 1 |
| 13 | 辐条电机变速箱 | GPG(台湾) | 1 |
| 14 | 对象检测魔术眼 | 欧姆龙(日本) | 1 |
| 15 | 光纤 | 欧姆龙(日本) | 1 |
机器细节:

32个主要贴标机零件

电路原理图

常问问题:
1.标签起泡
原因:
①剥离板不好/不平;
②犁板不好/不平;
③贴标输出过快或流水线速度过低;
④标签拉得太松
解决方案:
①更换一块平坦的剥离板;
②换一块平犁板;
③放慢贴标输出速度或提高流水线速度;
④正确撞击标签带。
标签: 工业贴标机,玻璃瓶贴标机









